Beskrivning
Luft – Vatten – Olja, 60 bar
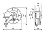
Slangvindor försedda med ställbara utmatningsarmar. Lätta att placera, även i trånga utrymmen. Kan även takmonteras. Kan kompletteras med svängbart väggfäste om slangen skall dras ut eller matas in i sidled. Slitaget på vindan blir mindre och slangen rullas upp jämnare.
Specifikation

































