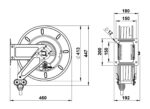
Beskrivning
Högtrycksvatten, 400 bar
Slangvindor försedda med ställbara utmatningsarmar. Lätta att placera, även i trånga utrymmen. Kan även takmonteras. Kan kompletteras med svängbart väggfäste om slangen skall dras ut eller matas in i sidled. Slitaget på vindan blir mindre och slangen rullas upp jämnare. Vattentemperatur max 150 °C. Stålarmerad gummislang.
Specifikation


























