Köps ofta till:
Rotator 5,5t med 69 tapp, 2års garanti
6 316.00kr7 895.00kr exkl. momsinkl. momsRotator GR55M Tapp 5.5T, 2års garanti
7 376.00kr9 220.00kr exkl. momsinkl. momsRotator 5,5t kompakt 140×140, 2års garanti
7 603.00kr9 503.75kr exkl. momsinkl. momsRotator GR55MF, 2års garanti
8 969.00kr11 211.25kr exkl. momsinkl. moms
Beskrivning
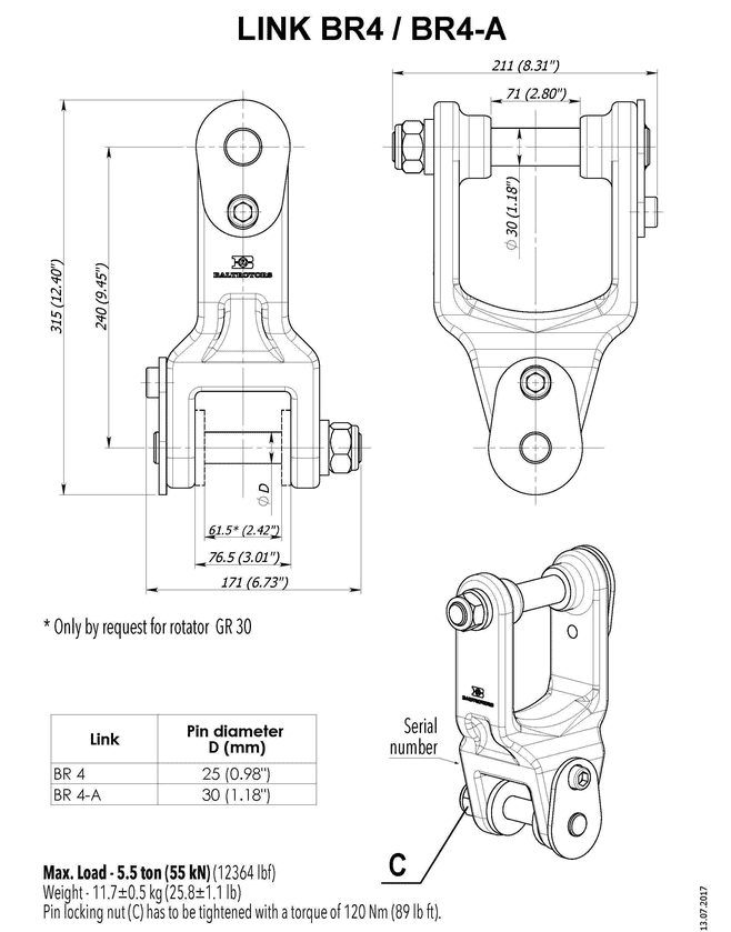
Länk mellan kran och rotator utan broms.
Kapacitet 5,5 ton
Baltrotors har gjutna länkar av hög kvalitet, alltid med 2 års garanti.
Passar kranar från bland annat Palfinger.
Specifikation
| Vikt | 14 kg |
|---|





